
發布時間:2026-03-17 16:13:20
在工業控制、開關電源、智能儀表等核心電子設備中,光耦作為實現電氣隔離、抑制干擾的關鍵元器件,其性能穩定性直接決定了整個系統的可靠性與安全性。電路設計中,光耦的選型核心在于參數匹配與場景適配。奧特AT3H7系列作為晶體管輸出型光耦,在關鍵性能指標上表現突出,完美契合工業級應用的嚴苛要求。
一、AT3H7性能參數
作為隔離器件的核心指標,AT3H7系列的隔離電壓達到3750Vrms,遠超常規應用需求,能有效隔離高低壓電路,避免高壓側干擾侵入低壓控制回路,為系統安全筑牢第一道防線。同時,其集電極-發射極擊穿電壓BVCEO≥80V,確保在復雜電壓環境下不會出現擊穿失效,提升了電路的容錯率。

電流轉換比(CTR)是光耦信號傳輸效率的關鍵參數。信號傳輸精準高效,且提供A、B、C、D多檔位選擇,工程師可根據不同負載需求靈活匹配,避免因CTR選型不當導致的動態性能差、系統不穩定等問題。
二、產品核心優勢
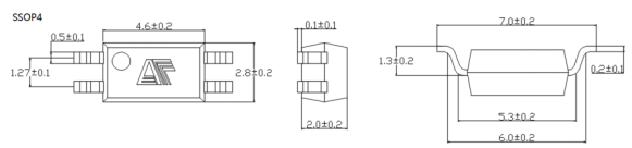
在小型化與環保趨勢下,AT3H7系列精準契合市場需求。采用4引腳SSOP4封裝,體積較傳統DIP封裝縮小40%以上,特別適合高密度PCB板設計,為智能終端、便攜設備的小型化提供可能。

1.寬溫運行無壓力
AT3H7系列憑借-55℃~±110℃的超寬工作溫度區間,輕松應對高低溫極端場景。有效避免因溫度變化導致的信號失真或器件失效,大幅提升終端產品的環境適應性與使用壽命。
2.強化絕緣+高隔離電壓
AT3H7系列不僅嚴格符合加強絕緣標準,更具備3750Vrms的高隔離電壓,能徹底阻斷輸入與輸出端的電氣干擾,從根源上防止高壓竄入造成的設備損壞或人員安全隱患。
3.高增益寬動態,信號傳輸精準高效
信號傳輸的“精準度”與“效率”是AT3H7系列的另一大亮點。該系列采用高靈敏度光電晶體管設計,支持多等級CTR選型,能精準匹配不同場景的信號放大需求。為測量儀器、傳感器信號處理等高精度場景提供有力支撐。
三、應用場景
憑借“寬溫、高隔離、高精度、小體積”的綜合優勢,AT3H7系列已打破進口品牌壟斷,廣泛應用于多個核心領域,成為各行業客戶替代進口、降本增效的信賴之選。

奧特AT3H7目前已實現充足現貨庫存供應,可全面覆蓋企業小批量試樣、中批量量產及緊急補貨等多樣化需求。現貨庫存能夠有效縮短采購周期,避免因元器件短缺導致的生產停滯,幫助企業提升生產效率、加快產品上市節奏。

臺灣奧特半導體科技有限公司(以下簡稱AOTE成立于2018年總部及研發實驗室設立于臺灣省臺中市。旗下分公司-廣東奧特半導體有限公司的成立標志著AOTE奧特半導體公司在國內市場的擴張,深圳市作為中國半導體產業的核心地區,具有便捷的交通和良好的產業生態環境,為公司的發展提供了有力的保障。分公司主要負責銷售產品,以滿足不同地區市場的需求。設立分公司不僅有利于與國內客戶的合作,也能更好地了解并滿足中國市場的需求。
公司已通過IS09001,IS014001質量管理體系認證。公司對產品高研發投入及設計,現有產品已可PIN對PIN對標及兼容歐美、日、臺資的多系列光電耦合器,產品均符合歐盟ROHS、REACH、SGS環保指令標準,并通過中國質量CQC、德國VDE美國UL安規認證等多項國際認證。